Skip to main content

Simple to Specify Clamp icon Easy to Order Clamp icon Rapid to Assemble

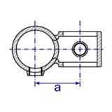
161R - Reducing Offset Crossover

Designed to form a 90° crossover joint between two tubes of different sizes.

Product Data & Dimensions

Size a (mm) Weight (kg) Box Qty* Part No
  B34/A27   36   0.28   105   161R-B34A27
  C42/B34   45   0.40   81   161R-C42B34
  D48/B34   48   0.44   54   161R-D48B34
  D48/C42   51   0.54   40   161R-D48C42
  E60/D48   60   0.74   28   161R-E60D48

* Fittings are sold individually and do not need to be bought in box quantities. Box quantities may be subject to change without prior notice.

Figures given as guidance only, dimensions and weights are subject to manfacturing tolerances and may be altered without prior notice.

Do not perform any pre-drilling, tube cutting, casting uprights or any other dimensionally critical processes prior to receiving fittings.

Related Products